Many things I do love about our Amel. It is a beautiful boat, with lots of great ideas. Sometimes, however, the execution of great ideas lacks a bit, especially in the wiring.
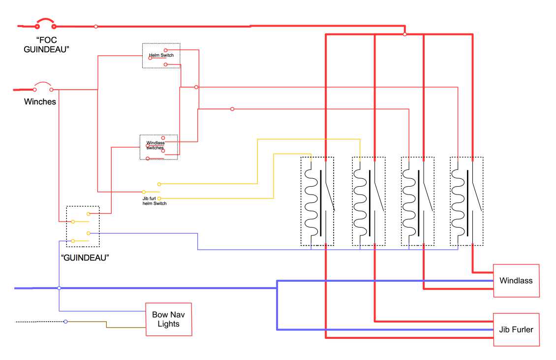
In the bow of the boat there are three things that use power. The jib furler, the anchor windlass, and the navigation lights. Here is a schematic drawing for how it was built:

Here is a photo of the business side of the power distribution panel as assembled by Amel for these systems:

If you own an Amel, note that this was changed–dramatically–in newer boats. I haven’t looked at this system in detail on other Super Maramus, so can not speak for them. This is all about #160. Apply what you see here to newer or older boats with care. One significant difference is that in later production Super Maramus Amel used the control box from the windlass manufacturer, Lofrans, instead of using their own relays
This works. It has worked for more than 20 years. Yet there are a couple of significant issues with the way this was done. None of the wires were labeled, except what I had already done. On the left side of the picture is an uncovered stud terminal for 24V positive wires. Six inches away is an uncovered stud terminal for 24V negative wires. This panel is exposed in a storage locker. If anything conductive in that locker was to bridge across those terminals it would be a potential disaster, up to and including a fire.
The windlass (“Guindeau”) and the jib furler (“Foc“) share the same circuit breaker. There is no way to disable power to the windlass motor and still use the jib furler. There is a DPST switch that is labeled as “Guindeau.” You would think it was there to turn the windlass off, but it is wired very strangely. It indeed does break the 24V supply to the switches that are mounted on the windlass, but NOT those at the helm, and it also breaks the GROUND on the coil side of ALL four relays. So when you turn off the switch labeled “Guindeau” neither the “Guindeau” nor the “Foc” work! I wonder what they were thinking?
Why is this a problem? It is just good seamanship to disable the windlass while you are underway, or really anytime you don’t plan to use it. Accidental activation either by human error or a short circuiting switch can cause serious mechanical and/or electrical damage. As Harmonie was built there is no way to turn off the windlass without also disabling the jib furler. That is just wrong. For me, separate circuit breakers for the main power feed to these two units is not optional.
The challenge is to add the extra breaker and cleanup the wire connections while maintaining the external aesthetics of the original installation. The new schematic isn’t too different, two additional circuit breakers is the major change, along with the removal of the DPST switch that was wired so oddly. And I added into the schematic the handheld remote control for the anchor windlass.

After several hours of planning, and two days of actual work the wiring has physically changed quite a bit, at least in appearance.

Besides just neatening things up, I also added bus bars and terminal blocks to eliminate almost all stacked connectors, and absolutely removed of all of the places where Amel crimped multiple wires into one terminal. Every wire is clearly labeled with a dedicated connection point.
And here is what the installation looks like all back together with the new circuit breakers installed:

It’s a change I am happy with. I now know I can truly de-activate the windlass while I am underway. Also, if a relay should ever stick closed (it happens!) I can shutdown the power to the motors independently of each other, no matter what the switches or relays are doing. Finally, if I ever need to go back in here and troubleshoot or change something, the project will not have to start with tracing which wire does what!
Update
When the windlass was replaced we eliminated the switches that Amel installed on the windlass motor housing. The handheld remote was much more useful, to the point we never used the ones mounted on the windlass. They presented a significant risk of water intrusion directly onto the windlass motor. We do not miss them.
Other than that, the best thing I can say about this project is that it was done 6 years ago, and hasn’t needed any modifications or alterations to meet the original design.